Back To Top

Ever-Power Double-Sided Rubber Timing Belts

Applications
  • Automated Production Lines: Synchronizes multiple stations, such as assembly, sorting, and conveying equipment.
  • Printing Machinery: Double-sided synchronous drive for rollers, ensuring registration accuracy.
  • Textile Machinery: Synchronous control for multi-axis winding and coiling equipment.
Advantages and Case Studies
  • Replaces complex layouts with multiple single-sided belts and pulleys, simplifying the structure.
  • Achieves multi-axis synchronization through S-shaped or crossed routing (as shown in diagrams).
  • In printing machines, double-sided timing belt systems eliminate lubrication contamination issues of traditional chain drives.
Selection Considerations
  • Tooth Profile Matching: Choose arc teeth (HTD) or trapezoidal teeth (T-type) based on load requirements.
  • Material Selection: Standard environments: Neoprene (CR), High-temperature/oil-resistant: Hydrogenated Nitrile Rubber (HNBR) Clean environments: Polyurethane (PU).
  • Pulley Design: Must use dedicated double-sided pulleys (e.g., with double-sided flanges).
  • The core advantage of double-sided timing belts lies in their dual-engagement capability, optimizing transmission layouts in scenarios requiring high space efficiency, precision, or environmental adaptability.

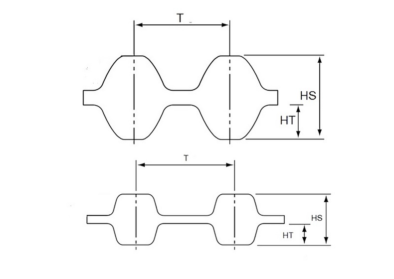
Double Side Series
Type T HT HS
D3M 3 1.21 3.0
D5M 5 2.1 4.9
D8M 8 3.38 7.9
D14M 14 6.1 13.3
DS3M 3 1.14 3.0
DS5M 5 1.91 4.6
DS8M 8 3.05 7.3
DS14M 14 5.3 13.0
DMXL 2.032 0.51 1.5
DXL 5.08 1.27 3.0
DL 9.525 1.91 4.5
DH 12.70 2.29 5.6
DT5 5 1.2 3.3
DT10 10 2.5 6.8
Application Scenarios for Space-Constrained Environments
  • Medical Equipment: Internal transmission in precision instruments like CT scanners and X-ray machines.
  • Robotic Joints: Compact joint drives in collaborative robots or SCARA robots.
  • Semiconductor Equipment: High-precision positioning for wafer transfer robotic arms.
  • Dual-Sided Engagement: Enables bidirectional power transmission in confined spaces.
  • Example: CT scanner rotating gantries use dual-sided toothed belts to reduce space and noise.
Scenarios Requiring Reverse Synchronous Drive
  • Packaging Machinery: Synchronous opening/closing of molds or clamps (e.g., dual-action lids in filling machines).
  • Automotive Engines: Auxiliary drives in timing systems (e.g., some hybrid vehicle models).
  • Lifting Mechanisms: Dual-sided toothed belts with pulleys for symmetrical lift platform drives.
  • Advantages: Reverse pulley arrangement eliminates the need for additional reversing mechanisms.
  • maintains constant transmission ratio, avoiding backlash errors from gear reversal.
High-Precision Positioning and High-Speed Transmission
  • CNC Machine Tools: Synchronous control of spindle and feed axes.
  • 3D Printers: High-precision synchronous lifting for multi-nozzle or dual Z-axis systems.
  • Optical Equipment: Bidirectional adjustment of focusing lenses in laser cutting machines.
  • Benefits: Toothed engagement ensures no slippage, with positioning accuracy within ±0.1mm.
  • minimal vibration at high speeds (linear velocity up to 20m/s).
Transmission in Harsh Environments
  • Food Processing Equipment: Wet, high-temperature cleaning environments (e.g., bakery production lines).
  • Chemical Machinery: Corrosion-resistant transmission (e.g., pumps for acid/alkali liquids).
  • Outdoor Equipment: Weather-resistant solar tracking systems.
  • Example: Dual-sided toothed belt drives in food filling machines meet FDA standards for direct food contact.
  • Performance: Minimal vibration at high speeds (linear velocity up to 20m/s).